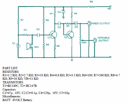
This preamp circuit was found in English documentation. Transistors are general-purpose, like the more modern BC549 equivalents than those indicated.

This preamp circuit was found in English documentation. Transistors are general-purpose, like the more modern BC549 equivalents than those indicated.
