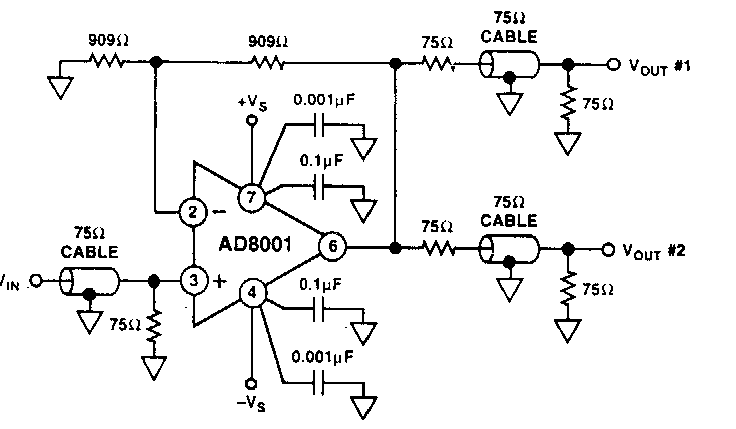
This circuit was found in Analog Devices documentation from the 90's. The integrated circuit used is from the time. The circuit is for HDTV signals. of the time.
This circuit mimics the dialing of an old telephone. The reproduction is made in a loudspeaker and the power...
The gain of this circuit depends on the frequency of the input signal. The circuit is from a Radio...
This tone control was obtained in a Signetics documentation of the 90s. The integrated circuit can be...