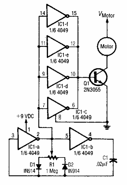
This circuit for low voltage motors was found in an Electronics Now from the 90's. The transistor must be equipped with a heat sink.

This circuit for low voltage motors was found in an Electronics Now from the 90's. The transistor must be equipped with a heat sink.
