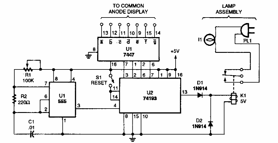
This circuit was found in a Popular Electronics from the 90s. The circuit uses TTL technology and must be powered by a voltage of 5V.
Found in documentation from ON Semiconductor, this circuit provides a rectangular output signal with...
We found this circuit in 1964 General Electric documentation. The circuit works with mechanical...
This very low frequency circuit was found in a 1964 Electronic Design. Transistors may be modern...