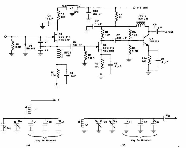
We found this circuit in a magazine 73 from the 90's. It is a circuit indicated for radio-amateur transmitters with the frequencies determined by the sets of coils.
This circuit was taken from the 1967 General Electric SCR Manual. The circuit can use virtually any...
Found in National Semiconductor documentation from the 1980s, this circuit employs a power...
The different aspect of this source is the use of a 12 V lamp as a current regulator together with a...