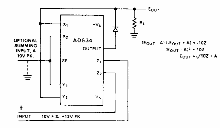
Found in Analog Devices documentation from the 1980s, this circuit provides an output voltage that is the square root of the input voltage.
Found in documentation from the 90s, this circuit can employ other comparators in the series such as...
This circuit was found in a PE Hobbyst Handbook from 1992. The second oscillator is a VFO. The...
This motor control using transistors was found in a recent English publication. The circuit is for...