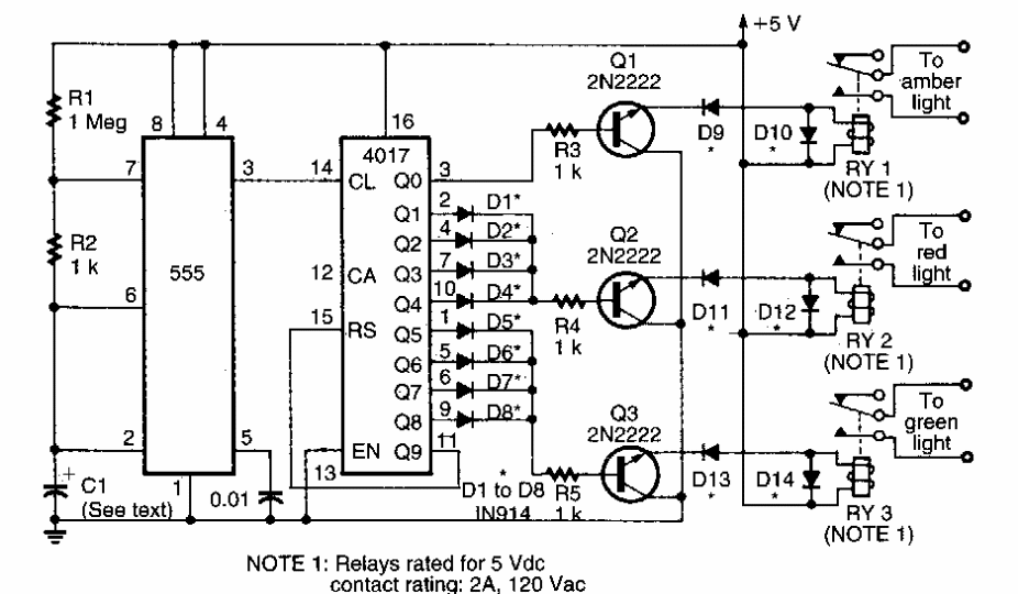
This sequential relay actuation system circuit for traffic lights was found in Electronics Now from the 1990s. Relays are sensitive types of low current coil.
Found in documentation from the 90s, this circuit can employ other comparators in the series such as...
This circuit was found in a PE Hobbyst Handbook from 1992. The second oscillator is a VFO. The...
This motor control using transistors was found in a recent English publication. The circuit is for...