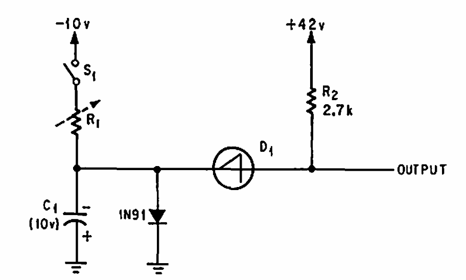
This circuit was found in old documentation. D1 can be a diac.
Found in documentation from the 90s, this circuit can employ other comparators in the series such as...
This circuit was found in a PE Hobbyst Handbook from 1992. The second oscillator is a VFO. The...
This motor control using transistors was found in a recent English publication. The circuit is for...