Found in Popular Electronics from the 90s, this circuit aims to drive a solar panel, constantly changing its position to follow the movement of the sun.
Found in documentation from the 90s, this circuit can employ other comparators in the series such as...
This circuit was found in a PE Hobbyst Handbook from 1992. The second oscillator is a VFO. The...
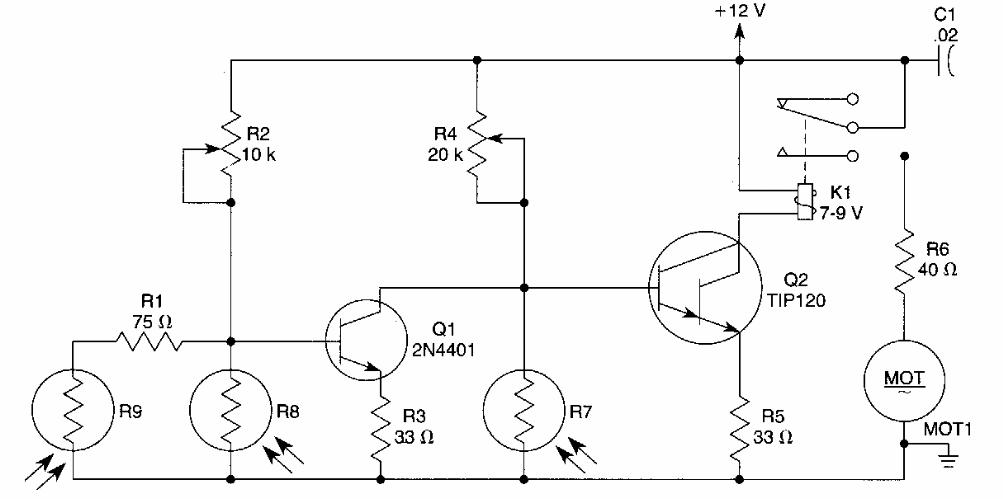
This motor control using transistors was found in a recent English publication. The circuit is for...