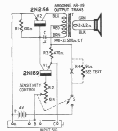
Suitable for general use and alarms, this Hartley oscillator circuit from a 1960's Gernsback documentation uses germanium transistors. The transformer is an audio output with a center jack.

Suitable for general use and alarms, this Hartley oscillator circuit from a 1960's Gernsback documentation uses germanium transistors. The transformer is an audio output with a center jack.
