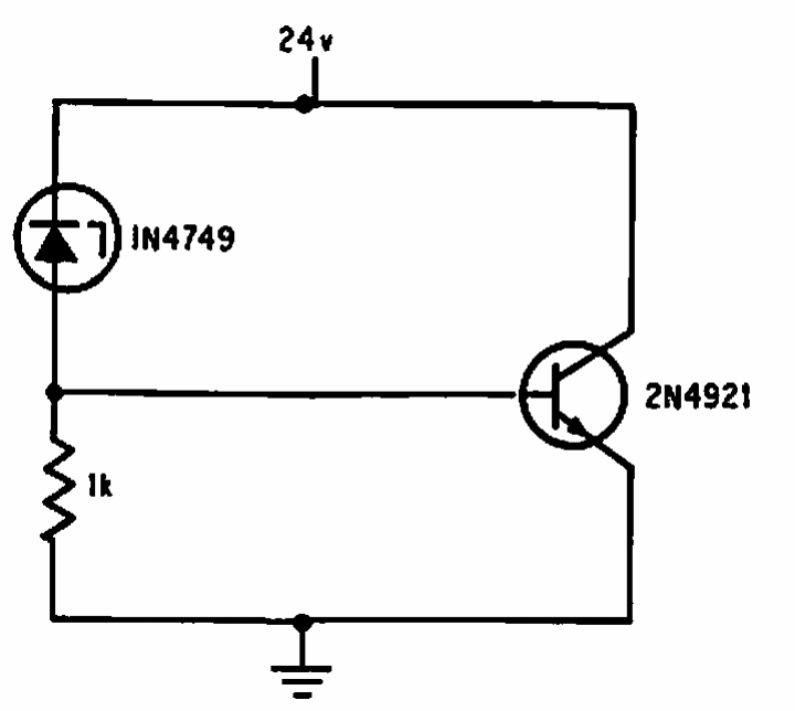
In the figure we have the way to implement a power zener diode. The voltage depends on the zener, and the maximum current of the transistor.
Found in documentation from the 90s, this circuit can employ other comparators in the series such as...
This circuit was found in a PE Hobbyst Handbook from 1992. The second oscillator is a VFO. The...
This motor control using transistors was found in a recent English publication. The circuit is for...