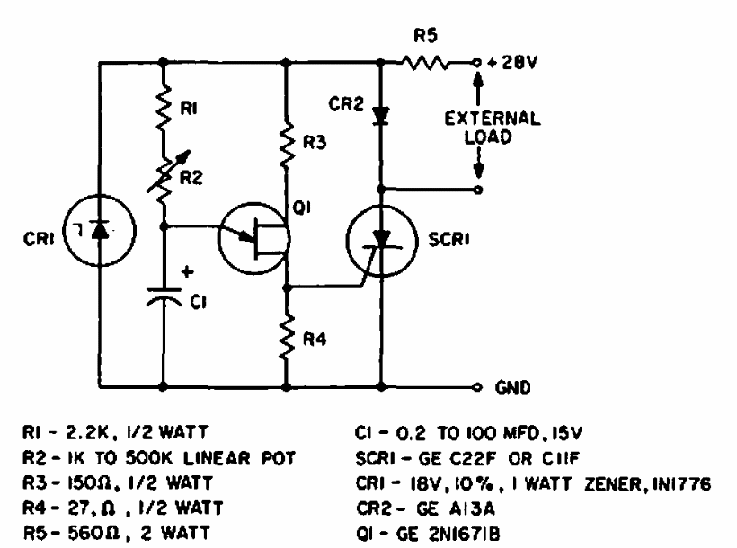
This circuit was taken from the 1967 General Electric SCR Manual. The circuit can use virtually any unijunction and SCR according to load.
This circuit triggers a Sonalarme when the LED used as a sensor receives light. The circuit was...
This is the receiver for the CB17133E. Its main feature is that it uses only transistors. The...
This circuit, from an old ON Semiconductor publication, suggests a shield to excite an LED from an...