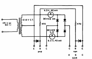
This circuit was found in an old American manual. It is intended for testing SCRs and thermistors using indicator lamps.

This circuit was found in an old American manual. It is intended for testing SCRs and thermistors using indicator lamps.