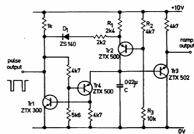
Found in Ferranti's 1974 transistor manual, this circuit is a self-oscillating version of the previous one. Transistors are common types at the time.

Found in Ferranti's 1974 transistor manual, this circuit is a self-oscillating version of the previous one. Transistors are common types at the time.
