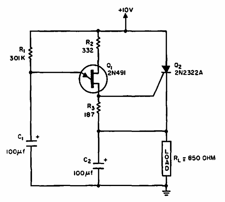
This 40-second delay switch was found in a 1965 Electronic Design. The unijunction transistor might be the 2N2646 and the SCR a sensitive modern equivalent.
Found in documentation from the 90s, this circuit can employ other comparators in the series such as...
This circuit was found in a PE Hobbyst Handbook from 1992. The second oscillator is a VFO. The...
This motor control using transistors was found in a recent English publication. The circuit is for...