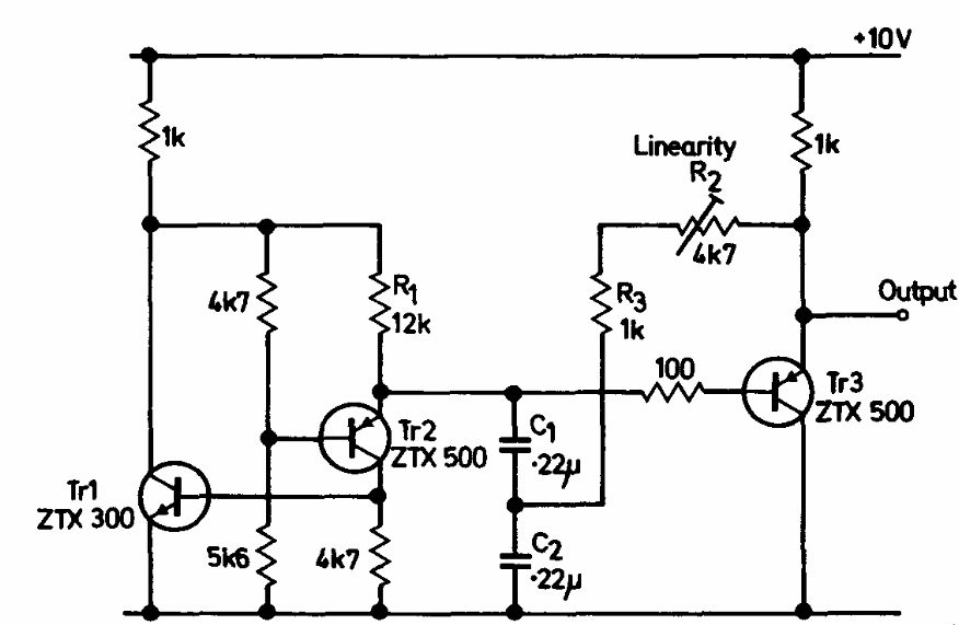
This circuit has a correction or linearity adjustment. We found it in Ferranti's transistor manual from 1974. Transistors are general-purpose types at the time.
Using neon lamps, this circuit from a 1969 publication provides 17 V of maximum voltage or else...
A passive mixer with few components is that of the circuit shown, found in a 1982 documentation. As readers...
This is the traditional configuration of an adjustable tone filter with the LM567. The circuit uses a...