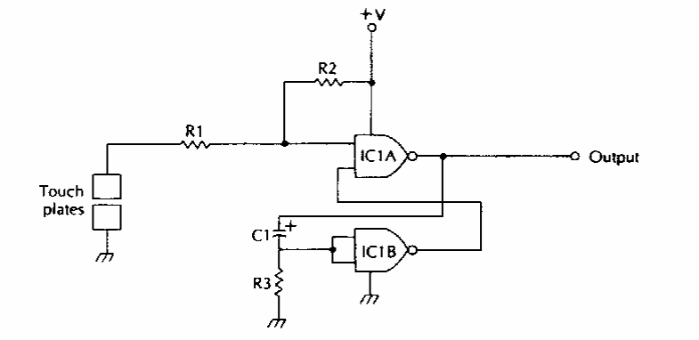
This timing circuit was found in old documentation. The technology is CMOS. The supply can be made with voltages from 3 to 12 V. The time depends on R1 and C1.
This circuit generates a rectangular signal whose frequency depends on the electrolytic...
This simple tester for general purpose transistors was obtained in an Argentine publication from...
This circuit is intended for calls to the deaf and is indicated in an old English documentation. LEDs can be...