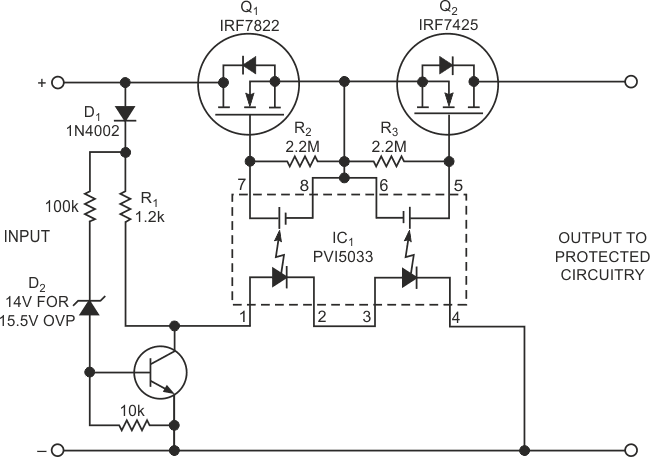
This protective circuit uses Shottky diodes on an International Rectifier PVI5033 and IRF7822 integrated circuit. The circuit has a resistance of just 0.013 ohm with a 10 A load.
This second amplifier is based on the integrated LM108 and has a differential input. The resistor...
Other amplifiers of the series like the MC3301, MC3401 and LM2900 can be used in this circuit. We found...
In the figure we have the circuit of a bistable using two relays. We found this circuit in an...