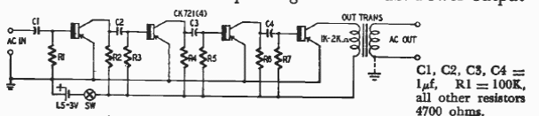
Found in an American transistor documentation from 1954, this 4-transistor amplifier uses the CK721, one of the first commercial transistors on the market.

Found in an American transistor documentation from 1954, this 4-transistor amplifier uses the CK721, one of the first commercial transistors on the market.
