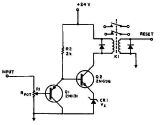
This fail-safe circuit was found in a 1967 Electronic Design. Transistors admit modern equivalents. The potentiometer adjusts the trigger level.

This fail-safe circuit was found in a 1967 Electronic Design. Transistors admit modern equivalents. The potentiometer adjusts the trigger level.
