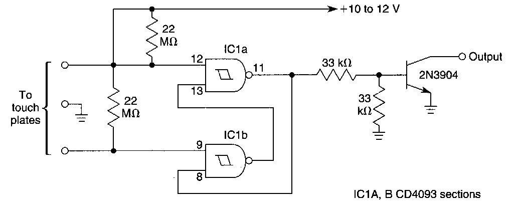
Found in American documentation, this switch is based on the 4093. The load will determine the supply voltage. The transistor is general purpose.
This second amplifier is based on the integrated LM108 and has a differential input. The resistor...
Other amplifiers of the series like the MC3301, MC3401 and LM2900 can be used in this circuit. We found...
In the figure we have the circuit of a bistable using two relays. We found this circuit in an...