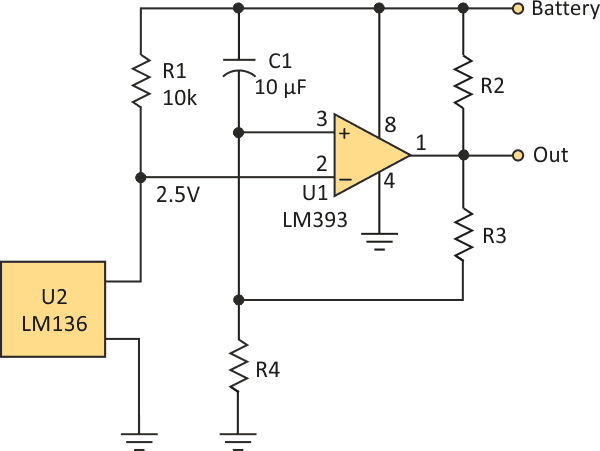
Based on the Texas Instruments LM393 or LM136, this circuit is intended for monitoring batteries with higher voltages, reaching 14V during charging.

Based on the Texas Instruments LM393 or LM136, this circuit is intended for monitoring batteries with higher voltages, reaching 14V during charging.
