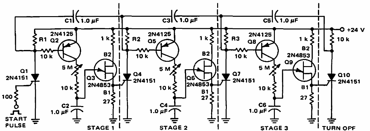
This circuit was found in Motorola documentation from 1968. Transistors can be modern equivalents, just like SCRs.
This second amplifier is based on the integrated LM108 and has a differential input. The resistor...
Other amplifiers of the series like the MC3301, MC3401 and LM2900 can be used in this circuit. We found...
In the figure we have the circuit of a bistable using two relays. We found this circuit in an...