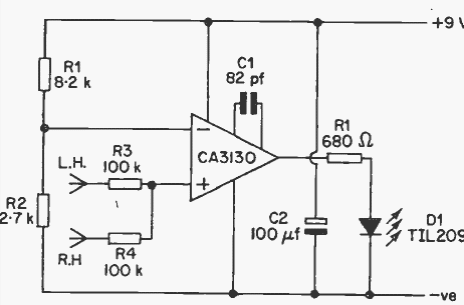
This peak indicator for stereo amplifiers uses a CA3130. The 80's circuit does not need a symmetrical power supply.
This circuit generates a rectangular signal whose frequency depends on the electrolytic...
This simple tester for general purpose transistors was obtained in an Argentine publication from...
This circuit is intended for calls to the deaf and is indicated in an old English documentation. LEDs can be...