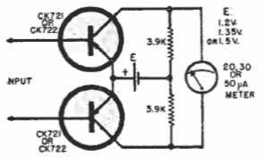
This amplifier with two transistors for analog instruments was found in a Raytheon publication from the 1960s. Transistors are germanium types from the time.

This amplifier with two transistors for analog instruments was found in a Raytheon publication from the 1960s. Transistors are germanium types from the time.
