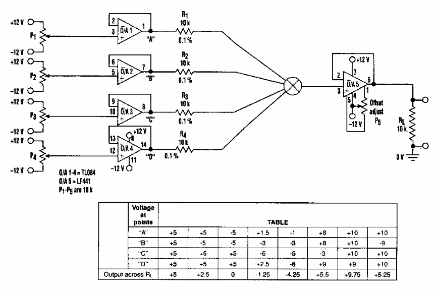
This circuit was found in an American documentation from the 90's. What it does is provide at the output a voltage that is the average of the voltages set for the inputs.
This sensitive motion sensor with inductive sensor was found in a 90s Elektor. The circuit uses only...
Suggested by Amperex in a 1968 documentation, this circuit is based on TAA370, an integrated circuit...
This filter, found in an old manual, has characteristics of reduced overvoltage given by the graph...