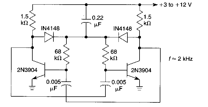
We found this circuit in an American documentation from the 90's. The circuit makes use of general purpose NPN transistors. The 0.005 uF (5nF) capacitors determine the frequency.
This sensitive motion sensor with inductive sensor was found in a 90s Elektor. The circuit uses only...
Suggested by Amperex in a 1968 documentation, this circuit is based on TAA370, an integrated circuit...
This filter, found in an old manual, has characteristics of reduced overvoltage given by the graph...