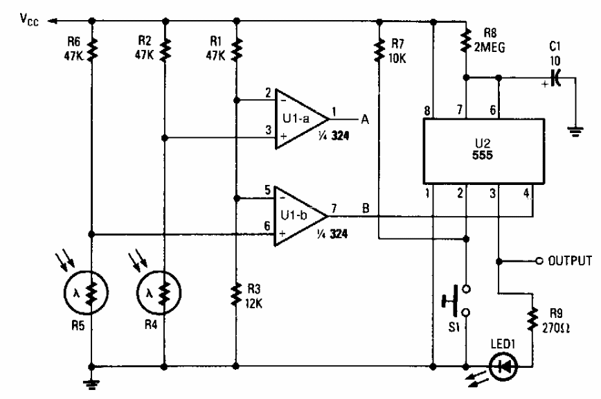
We found this circuit in an old Popular Electronics. The circuit is experimental, driving an LED from signals applied to the LDRs. The power supply does not have to be symmetrical.
Found in an 1989 R-E Experimenters Handbook, this circuit produces several sound effects that can...
This circuit, from a publication in the 1970s, uses transistors that no longer exist, but can be...
This circuit fires by burning the fuse when the input voltage exceeds the value referenced by the zener....