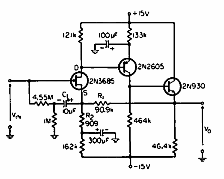
This circuit was found in old American documentation. It has 40 dB gain between 10 Hz and 10 kHz. Modern equivalent transistors can be used.
This circuit was found in a 1986 publication. The speed of the effect is determined by the 555,...
This preamp version uses BC109 transistors that are older versions of the current BC549 in plastic...
This simple voltage-controlled oscillator generates signals from 300 Hz to 1,500 Hz with voltages from...