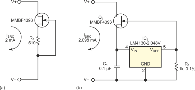
Based on National Semiconductor's LM4130 reference circuit, this circuit was found in Internet documentation. The circuit has an output impedance of 1 Mohm.
This circuit was found in a 1986 publication. The speed of the effect is determined by the 555,...
This preamp version uses BC109 transistors that are older versions of the current BC549 in plastic...
This simple voltage-controlled oscillator generates signals from 300 Hz to 1,500 Hz with voltages from...