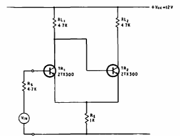
This voltage level-triggered circuit was found in a 1969 Ferranti English documentation. Modern equivalent transistors can be used.

This voltage level-triggered circuit was found in a 1969 Ferranti English documentation. Modern equivalent transistors can be used.
