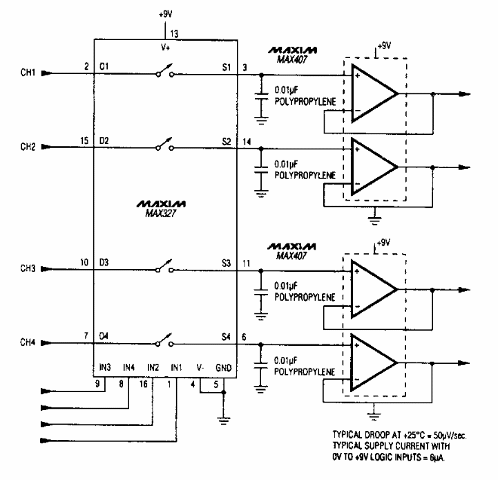
We found this circuit in a Maxim documentation from the 90s. The 4-channel circuit uses a component of the time and has a supply current of only 6 uA.
Maxim MAX20094 and MAX20095 Battery Chargers Maxim Integrated offers through Mouser Electronics high...
This circuit suggested by Intersil, provides a Kelvin scale of 3 and a half digits in a 7106, with...
Found in National Semiconductor documentation from the 1990s, this circuit switches video signals to...