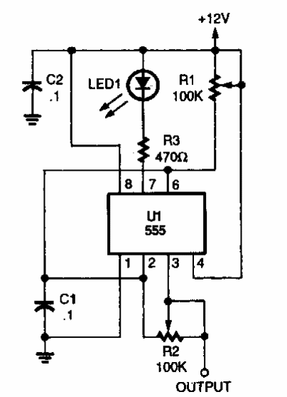
This astable with active cycle adjustment was found in a Popular Electronics from the 90's. The center frequency is given by C1. Signals are rectangular.

This astable with active cycle adjustment was found in a Popular Electronics from the 90's. The center frequency is given by C1. Signals are rectangular.
