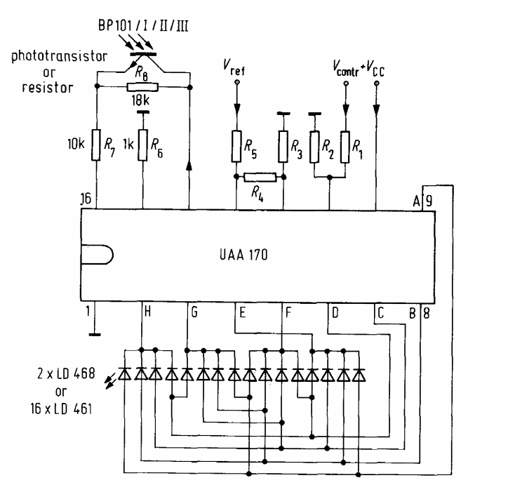
This UAA170 application circuit was taken from Siemens' own integrated circuits manual from 1976. The maximum supply voltage is 18 V.
Using a CA3130 and a power transistor, this circuit can deliver a current of up to 500 mA with the...
This circuit is a variation of the common grid dip meter, having been found in a 1975 publication on FETs....
This circuit is from an American documentation from the 90s. The transistors are of power and must be...