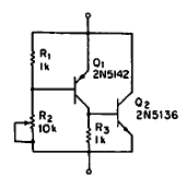
Found in a 1970 EEE this circuit emulates a zener diode whose voltage can be set to R2. Power depends on the transistors used.

Found in a 1970 EEE this circuit emulates a zener diode whose voltage can be set to R2. Power depends on the transistors used.
