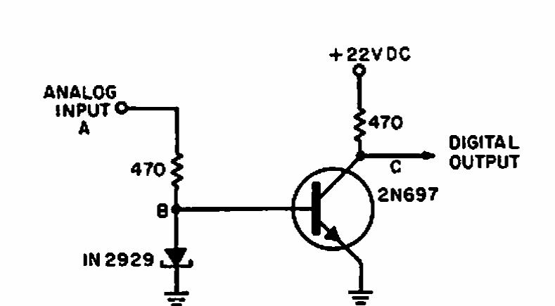
Found in a 1960s Electronic Design, this circuit provides a signal from the sensing of an analog voltage determined by the zener diode.
The circuit shown is from old English documentation and can be made with BC548 transistors for low...
The circuit shown can measure currents less than 1 uA and is powered by two 1.5 V batteries in a...
This circuit uses old Japanese transistors, as it was found in a 1968 magazine published in that...