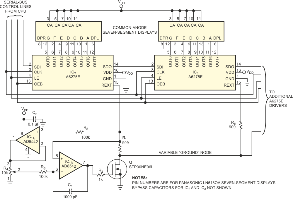
Based on Allegro's A6275, this circuit controls the brightness of various displays. The circuit is valid for common anode 7-segment displays.
The intensity of an audio signal can be controlled by a remote potentiometer on a DC circuit,...
This alarm circuit is from a 1987 publication, however the components used are still modern. The...
This voltage-controlled function generator circuit was found in ancient European documentation. The circuit...