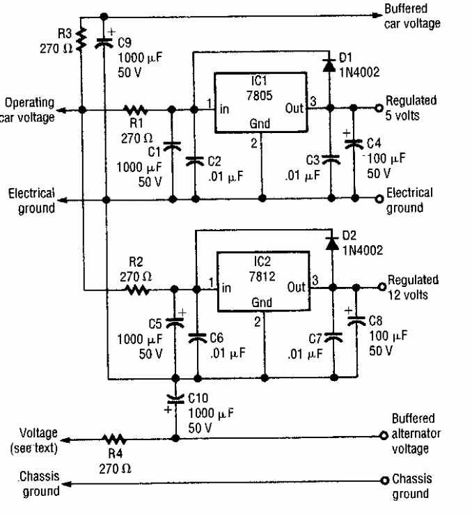
This 1 A power supply was found in an Electronics Now from the 90's. The integrated circuits must be equipped with heat sinks.
The S-meter is signal strength meter, coupled to telecommunications receivers to indicate the...
This circuit is suggested by Motorola, making it possible to use an optical coupler of type 4N26...
Dynamic analyzer is another name given to a signal follower or signal chaser. This circuit is from...