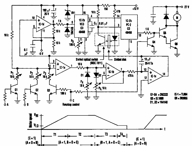
This precision speed control was obtained in an Electronic Design from the 90's. The output final stage power transistors must be in accordance with the motor power.
This 1992 circuit operates in the range of cordless phones used at the time. The circuit is based...
This different circuit uses a relay as an oscillator, whose frequency is determined by C1, and to...
This antenna or booster amplifier operates with signals from the midband (MW) range up to the VHF...