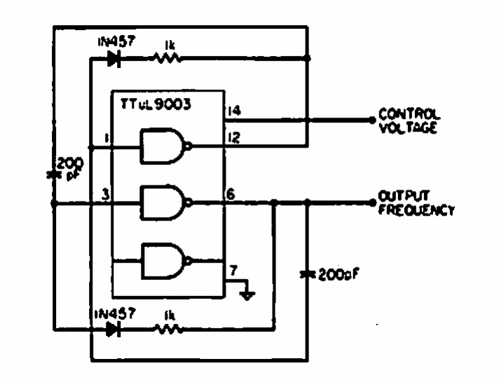
This circuit was found in a 1968 EEE. The circuit makes use of logic gates of the time and can be tested with equivalents from modern families.
The purpose of this interesting circuit found in a 1977 documentation is to complete the last...
This circuit allows to drive a triac with high power AC load from a CMOS output or directly from a...
This circuit was obtained in a documentation from the 80's. However, using TTL it is still modern,...