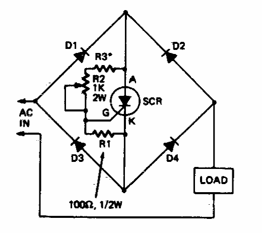
This circuit with diode bridge was found in documentation from the 70s. Both the SCR and the diodes must be in accordance with the controlled load power.

This circuit with diode bridge was found in documentation from the 70s. Both the SCR and the diodes must be in accordance with the controlled load power.
