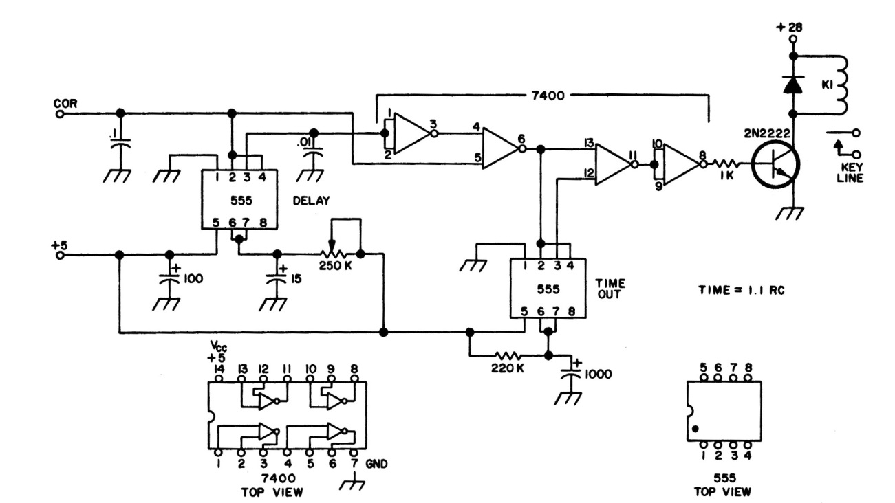
This circuit activates a relay with a delay that can be adjusted in a range of values that depends on the capacitor. The circuit can operate with lower voltages according to the relay. We found this configuration in a documentation from the 70s.
This circuit activates a relay with a delay that can be adjusted in a range of values that depends on the capacitor. The circuit can operate with lower voltages according to the relay. We found this configuration in a documentation from the 70s.