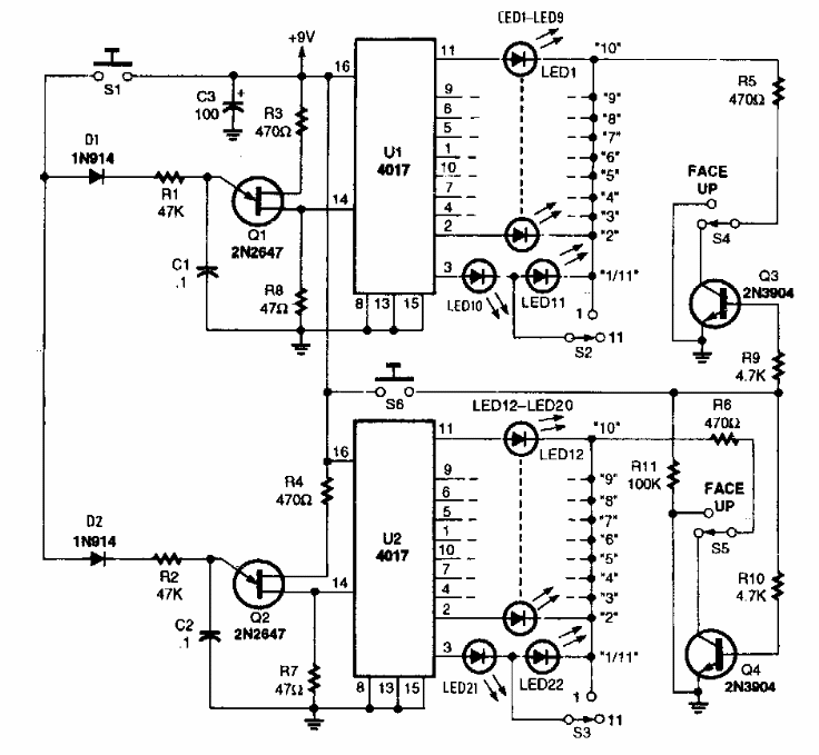
Found in a Popular Electronics from the 80's, this circuit simulates the equivalent card game. The circuit is CMOS and can be supplied with voltages from 6 to 12 V.
This circuit can be used in traffic alarm systems. The relay trips when the light falling on the...
This filter was found in documentation from the 90s. The cutoff frequency is 2900 Hz. Changes can be...
June 2017 - New Honeywell MT MICROSWITCH Series can be ordered from Mouser Electronics for...