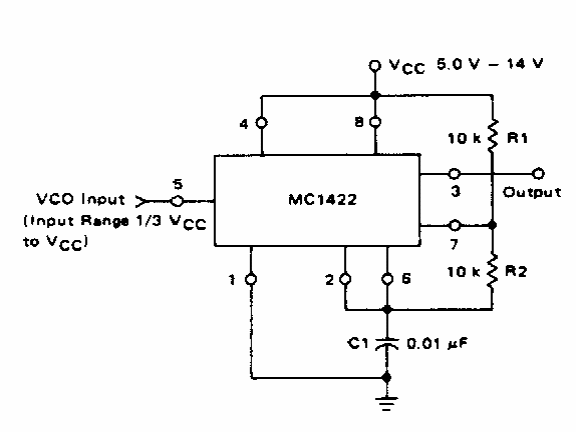
This circuit is from a Motorola manual generating signals up to 200 kHz. The publication is from the 70s, which makes it difficult to obtain the basic component.

This circuit is from a Motorola manual generating signals up to 200 kHz. The publication is from the 70s, which makes it difficult to obtain the basic component.
