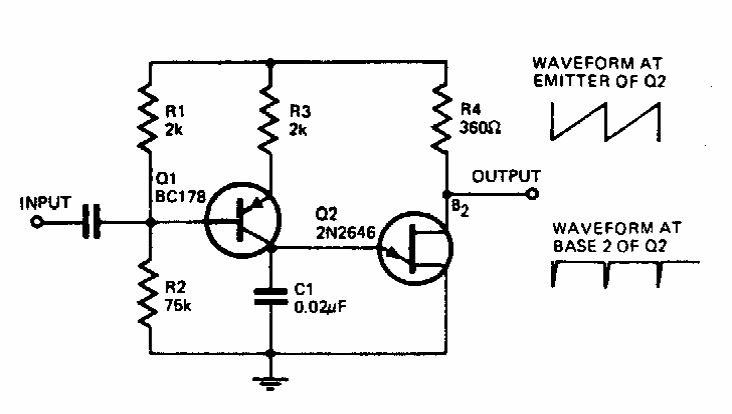
This VCO with discrete components was found documentation from the 1980s. The central frequency with the indicated components is 8 kHz. A BC548 can be used for Q1.
This configuration for switching signals uses only common general-purpose diodes such as 1N4148. The...
This digital electronic game circuit was found in a 1982 publication. It randomly draws the...
This version works in the opposite way to the previous one, activating when the light falls on the...