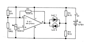
This circuit allows the testing of integrated circuits of type 741 (operational amplifier) such as the LM741, CA741, uA741, MC1741, etc. as well as compatible operational amplifiers that have the same pinout as the LM107, LM101, LM108, etc. The test is done with direct current and we have two indicator LEDs. When we move the potentiometer axis, one of the LEDs that was on should go out and the other should light up. This should occur near the middle of the potentiometer cursor movement for a good integrated. Carefully, it is possible to adjust the potentiometer in which the two LEDs are off. In figure 150 we have the diagram of this integrated circuits tester (operational amplifiers).




