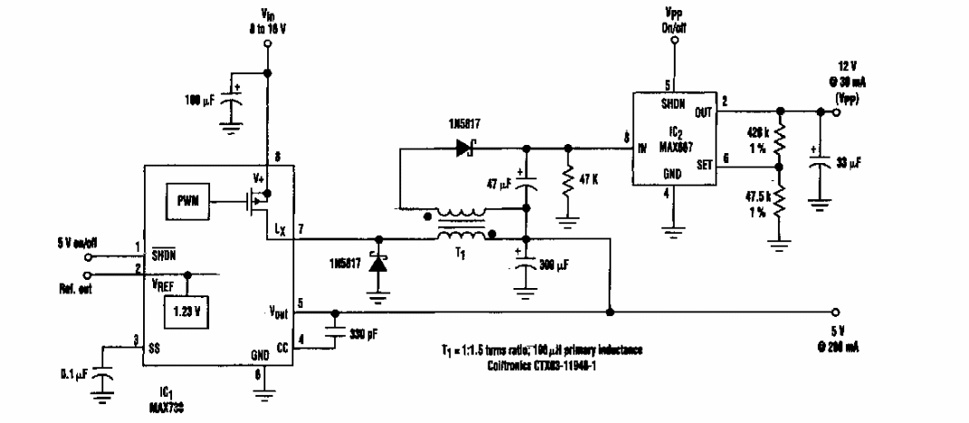
Found in an Electronic Design of the 90's, this circuit provides an additional 12 V output to a 5 V regulator. The maximum current is 200 mA.
This circuit can be used in traffic alarm systems. The relay trips when the light falling on the...
This filter was found in documentation from the 90s. The cutoff frequency is 2900 Hz. Changes can be...
June 2017 - New Honeywell MT MICROSWITCH Series can be ordered from Mouser Electronics for...