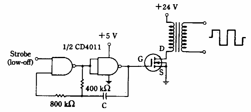
This power inverter or voltage inverter generates high voltage from 24V and 5V supplies. We found it in an old American documentation. Transformer and MOSFET are according to the desired power.
This two-microphone amplifier was found in a April 1961 Radio Electronics Magazine. The circuit is...
We found this experimental musical instrument in a 1977 Radio Shack brochure. The sound produced...
With this circuit it is possible to modulate the radiation emitted by a laser diode in amplitude. The...