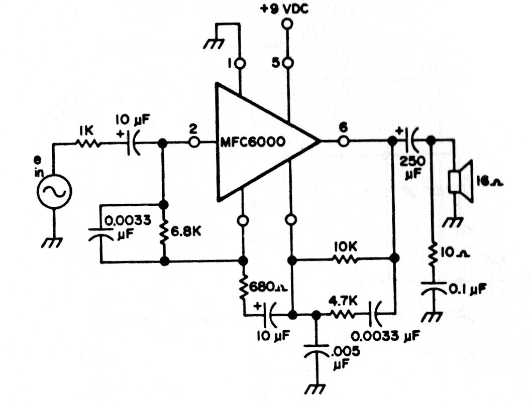
This small audio amplifier was found in an American publication in 1975, The integrated circuit used is rare today. The circuit was used in portable receivers of the time and other applications.
The circuit presented is suggested by National Semiconductor in its Linear Applications Handbook. The...
In this application we show how to get tuning from 0 V to an LM350 regulator IC. The setting also...
This frequency corresponds to musical note C3. Frequency accuracy depends on the accuracy of the...