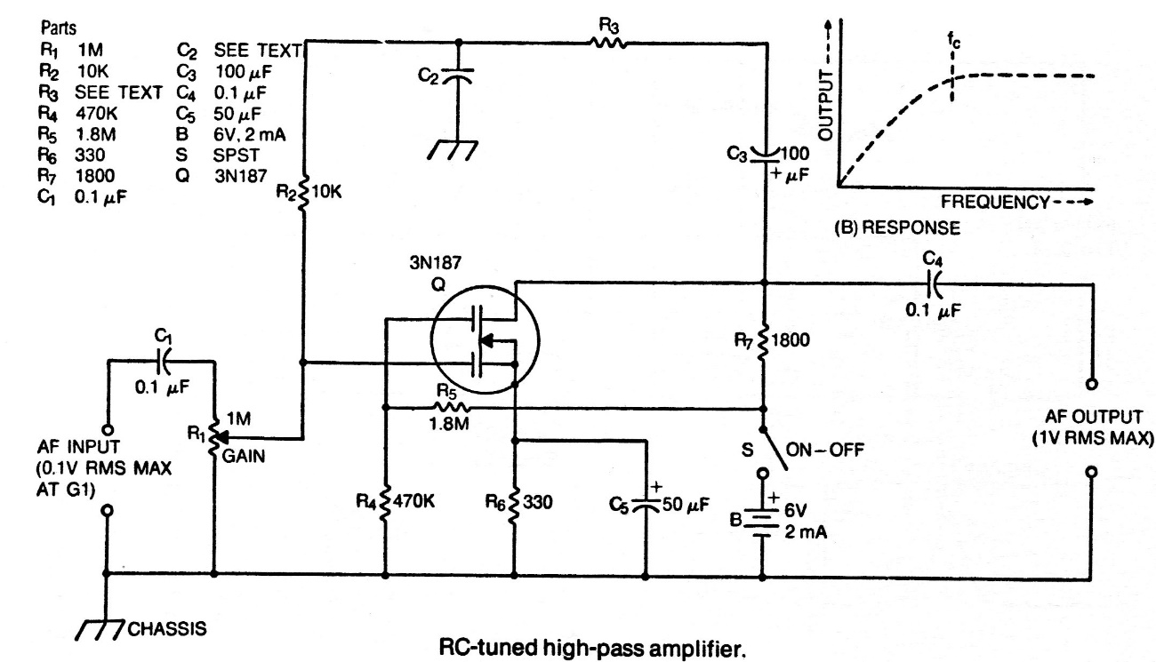
This circuit was found in an American documentation two years 80. The MOSFET is of double port, difficult to obtain now and the circuit has a tuning frequency determined by RC.
The circuit presented is suggested by National Semiconductor in its Linear Applications Handbook. The...
In this application we show how to get tuning from 0 V to an LM350 regulator IC. The setting also...
This frequency corresponds to musical note C3. Frequency accuracy depends on the accuracy of the...